МНОГОСТУПЕНЧАТЫЕ ХЛАДАГЕНТНЫЕ НАСОСЫ СЕРИИ CLMA И CLMO
Общее описание: Хладагентые насосы серии CLMA и CLMO это полностью герметичные центробежные насосы со встроенным электродвигателем. Насос не погружного типа. Конструкции насоса это комбинация блока центробежного насоса, блока 3-фазного асинхронного двигатель с гидравлической секцией и единого вала, который соединяет насос и двигатель.
Насосы серии CLM используются в основном для перекачки хладагентов в холодильных установках. Их конструкция испытана и одобрена несколькими сертифицирующими организациями и допускает использование насосов на судах. Серия насосов СLM подходит для систем, где необходимы высокие давления подачи и небольшие расходы жидкости.

Насос типа CLMА
ХАРАКТЕРИСТИКИ
Рабочая среда: Сжиженные газы, такие как R717 (NH3), R22, СО2, R134a, R404a, R11, R12 и др.
Рабочий диапазон: - Подача (Q max.) 35 м3/ч
- Напор (H max.) - 130 м.ж.ст. и более под заказ.
Частота вращения: 2800 - 3500 об/мин
Рабочая температура: от – 50°C до + 30°C
Мощность: до 19 кВт
Напряжение: 380, 400, 415, 440, 460, 500 или 660 В
Частота: 50 Гц (возможно 60 Гц)
Класс защиты: Двигатель/Ротор IP 64 / IP 67
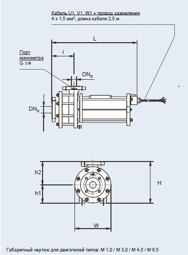
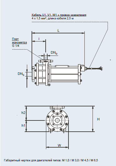
Полный модельный ряд многоступенчатых насосов cерии CLMO И CLMA
Многоступенчатые насосы cерии CLMA
| Модель | Минимальный расход (Q min.) , м3/ч | Максиманый расход (Q max. ), м3/ч | Мощность двигателя, кВт | Напряжение, В | Номинальный ток, А |
| CLMA/2 M3.0 | 0,5 | 11 | 3 | 380~400 | 8 |
| CLMA/3 M3.0 | 0,5 | 11 | 3 | 380~400 | 8 |
| CLMA/4 M3.0 | 0,5 | 11 | 3 | 380~400 | 8 |
| CLMA/5 M3.0 | 0,5 | 11 | 3 | 380~400 | 8 |
| CLMA/2 M4.5 | 0,5 | 11 | 4,5 | 380~400 | 11,1 |
| CLMA/3 M4.5 | 0,5 | 11 | 4,5 | 380~400 | 11,1 |
| CLMA/4 M4.5 | 0,5 | 11 | 4,5 | 380~400 | 11,1 |
| CLMA/5 M4.5 | 0,5 | 11 | 4,5 | 380~400 | 11,1 |
| CLMA/6 M4.5 | 0,5 | 11 | 4,5 | 380~400 | 11,1 |
| CLMA/5 M6.5 | 0,5 | 11 | 6,5 | 380~400 | 16,8 |
| CLMA/6 M6.5 | 0,5 | 11 | 6,5 | 380~400 | 16,8 |
Многоступенчатые насосы cерии CLMA
| Модель | Минимальный расход (Q min.) , м3/ч | Максиманый расход (Q max. ), м3/ч | Мощность двигателя, кВт | Напряжение, В | Номинальный ток, А |
| CLMO/2 M1.0 | 0,2 | 4 | 1 | 380~400 | 3 |
| CLMO/3 M1.0 | 0,2 | 4 | 1 | 380~400 | 3 |
| CLMO/4 M1.0 | 0,2 | 4 | 1 | 380~400 | 3 |
| CLMO/5 M1.0 | 0,2 | 4 | 1 | 380~400 | 3 |
| CLMO/6 M1.0 | 0,2 | 4 | 1 | 380~400 | 3 |
Охлаждение двигателя
Термисторы
Подшипники
Диафрагмы
Материалы
Рабочие характеристики (кривые) надо ли?
Схема расположения деталей
Все характеристики:
Для применения доступен ряд насосов CHT с различными двигателями:

Вы можете задать любой интересующий вас вопрос по насосам или работе компании.
Наши квалифицированные специалисты обязательно вам помогут.






